年 公司创建于
万套 年产轴承座及带座轴承
万元 年产值
个 网络销售城市
专业生产剖分式轴承座、滑动轴承(座)、紧定衬套、外球面轴承(座)等
响水赛特机械有限责任公司是机械传动件企业,位于轴承座之都-江苏省响水县。公司具有年产300万套轴承座及带座轴承的生产能力,技术力量雄厚,工艺装备精良,检测手段完备。
本公司是一家专业生产剖分式轴承座、滑动轴承(座)、紧定衬套、外球面轴承(座)等年产值约2000万元的厂家。我公司技术力量雄厚,工艺装备精良,检验手段完备。
本公司产品广泛用于冶金、矿山、环保、化工、轻工、纺织、农机等行业。品种齐全,材质多样,有灰口铸铁座、球墨铸铁座、铸钢座、不锈钢座等。
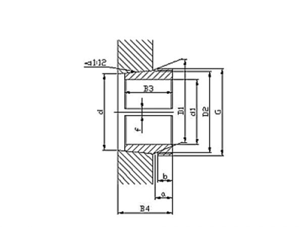
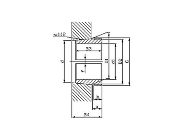
产品主要有:剖分式轴承座SN200系列、SN300系列、SN500系列、SN600系列、SN3000系列、SN3100系列、SNU500系列、SNU600系列、SD3100系列、SD3000系列、SD500系列、SD600系列、SD3000G系列、SD200E系列、SD300E系列、SAF500系列、SAF600系列、722500系列、1500系列、1600系列、Z2500Y(M)系列、Z2600Y(M)系列、Z4500Y(M)系列、Z4600Y(M)系列、GZQ2-72-260系列、GZQ4-130-400系列、GZ2-72-260系列、GZ4-130-400系列。滑动轴承座H2000系列、H4000系列、ZHC2系列、ZHC4系列、HX000系列、XHC4系列、HZ2000系列、Q/ZB86系列
外球面轴承座系列产品:P200系列、P300系列、F200系列、F300系列、FL200系列FL300系列、PA200系列、FC200系列、T200系列、T300系列
紧定衬套:H200系列、H300系列、H2300系列、H300系列、H3200系列、KM系列、MB系列、AH200系列、AH300系列、AH2300系列、AH3100系列、AH3200系列、AH3000系列
各类轴承座附件:Z型橡胶油封、ZF型橡胶油封、GS型橡胶油封、TSNG橡胶油封、U型密封、定位环、迷宫圈、端盖、油毡、油嘴。公司还承接各类非标准轴承座加工业务。
您可以通过以下内容,对我们的产品及服务进一步进行了解
2024年11月25日至28日,“2024中国国际轴承及其专用装备展览会”(第十九届)将在上海国 家会展中心隆重开幕!我公司将展出替代进口的带座轴承、剖分轴承座...
带座轴承的润滑方式及润滑脂的选择依据是什么?
润滑方式主要有脂润滑和油润滑。脂润滑操作简便,无需复杂的润滑系统,润滑脂能在轴承内部形成持久的润滑膜,同时起到密封作用,适用于中低速、负荷适中的设备,如输送机、...
如何根据设备的运行参数选择合适的带座轴承?
首先考虑设备的转速,对于高速运转的设备,如离心风机,应选择精度较高、摩擦系数小的轴承,如轴承钢材质的外球面球轴承带座,其能减少发热和磨损;低速设备如搅拌机,则可...
带座轴承的轴承座材质和轴承材质分别有哪些,各有什么特性?
轴承座材质常见的有灰铸铁、球墨铸铁和钢板冲压件。灰铸铁成本较低,铸造性能好,具有一定的强度和耐磨性,适用于一般工况下的设备,如普通输送机、风机等。球墨铸铁强度和...
带座轴承适用于哪些行业和具体设备?
在农业机械领域,如收割机、播种机等,带座轴承能适应田间作业的振动和粉尘环境,为旋转部件提供稳定支撑,保证机械的连续运转。纺织行业的纺纱机、织布机等设备,对轴承的...
带座轴承有哪些常见类型,不同类型的结构特点是什么?
常见类型有外球面球轴承带座、剖分式带座轴承、滑动轴承带座等。外球面球轴承带座的轴承内圈与轴配合,外圈呈球面状,与轴承座内的球面接触,具有一定的调心性能,能补偿安...
响水赛特机械有限责任公司
剖分式轴承座、滑动轴承(座)、紧定衬套、外球面轴承(座)等137-7019-8593
公司名称: 响水赛特机械有限责任公司
联系人: 郭先生
联系方式: 137-7019-8593
联系地址: 中国江苏省盐城市响水县运河镇四套村
微信二维码
手机站二维码